Iepazinies ar noteikumiem Autorizācija

Nepieciešama autorizācija Lai aizsargātu savu "Mani Projekti".

Anmelden mit:
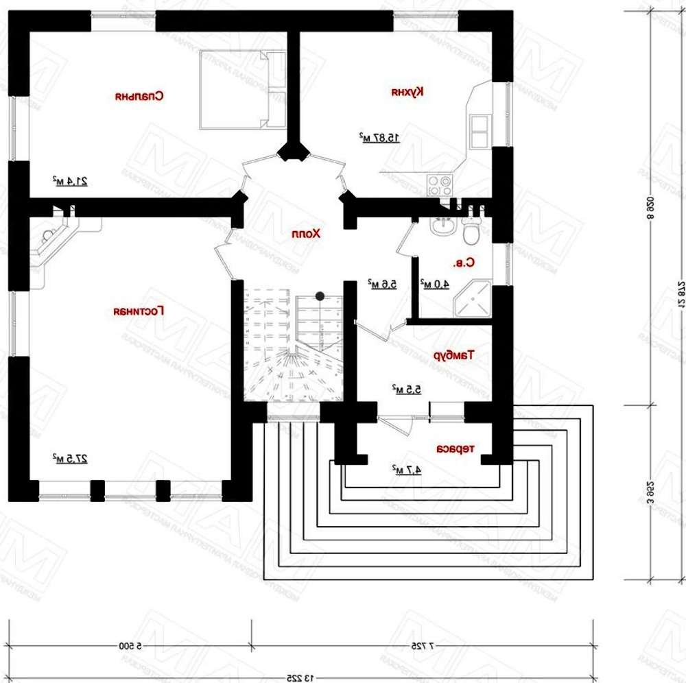
  • Pirmais stāvs:
    Pirmais stāvs::
    Pirmais stāvs::
    Otrais stāvs:
    Otrais stāvs::
    Otrais stāvs::
    pagrabstāvā:
    pagrabstāvā::
    pagrabstāvā::
  • 4M834

    Artikuls4M834
    Stāvi:3
    Kopējā platība:356.00 м2
    Guļamistabas:4
    Sanitārie mezgli:2
    Minimālais zemes gabala izmērs (platums):17.00 м
    Minimālais zemes gabala izmērs (garums):17.00 м
    84.00 м2
    Materiāli:
    Sienas:
    Pārklāšana:
    Jumts:
    Pamati:
Stāvu plānojumi
  • Pirmais stāvs:
    Pirmais stāvs:
    Pirmais stāvs:
    Otrais stāvs:
    Otrais stāvs:
    Otrais stāvs:
    pagrabstāvā:
    pagrabstāvā:
    pagrabstāvā:
Fasādes
Projekta sastāvs

Покупая проект дома в компании Dom4M, Вы получаете комплект чертежей, необходимый для проведения строительных работ и беспрепятственного получения разрешения на строительство.

В основном составе, наш проект содержит:  Пояснительную записку и два больших раздела – Архитектурный и Конструктивный.

1. В состав Архитектурного раздела входят:

  • Поэтажные планы
  • Разрезы
  • План кровли
  • Фасады с ведомостью внешних отделок
  • Перспективные изображения
  • Цветовые решения фасадов
  • Архитектурный расчет лестниц
  • Дымовые (вентиляционные) каналы с по этажными сечениями
  • Элементы проемов – спецификация

2. В состав Конструктивного раздела входят:

  • Общие данные по проекту
  • Схемы расположения осей
  • Расчеты фундаментов
  • Элементы каркаса – кладочный план
  • Схема расположения перекрытий
  • Элементы кровли – перспективное изображениестропильной системы
  • Решение по облицовке фасада
  • Чертежи отдельных элементов, узлы крепления, сечения
  • Ведомости расхода стали и бетона

3.  Инженерный раздел (приобретается по желанию):

  • Водоснабжение и канализация
  • Отопление, вентиляция
  • Электротехнические решения

Срок изготовления проекта дома составляет от 7 до 35 рабочих дней.

Объем проектной документации – от  50 до 90 страниц А4 и А3, в зависимости от сложности проекта

  • Проекты являются типовыми и не учитывают конкретных условий строительства.

Наша команда Архитекторов, Конструкторов и Инженеров – всегда готовы воплотить Вашу мечту в реальность!

Мы можем вносить любые изменения в проект по Вашему пожеланию и адаптировать его с учетом конкретных геолого-топографических и климатических условий, за дополнительную плату.

  • Получить профессиональную консультацию у наших специалистов, Вы можете любым способом связи: закажите обратный звонок, по skype, e-mail, телефон - наши контакты.

Всегда рады Вам помочь!

Lasīt pilnu tekstu
Papildu pakalpojumi
Līdzīgi
Fasādes

4M834

Komentāri
Lai pievienotu komentāru, jums ir vai nu aizpildīt zemāk laukus vai login.
Augšupielādēt fotoattēlus 5 gabali
Jūsu vērtējums:
Līdzīgi
NOPIRKT
© 2010-2021 Dom4M. Visas tiesības aizsargātas
This site is protected by reCAPTCHA and the Google Privacy Policy and Terms of Service apply